聚焦細節丨運用失效分析,找出生產問題癥結所在
日期:2023-09-21 17:26:00 瀏覽量:1669 標簽: 失效分析
引言
電子元器件失效是指其功能完全或部分喪失、參數漂移,或間歇性出現上述情況。電子元器件分析是對已失效元器件進行的一種事后檢查。根據需要,使用電測試及必要的物理、金相和化學分析技術,驗證所報告的失效,確認其失效模式,找出失效機理。
主要分析對象包括電阻器、電容器、電感器、連接器、MOS、繼電器、二極管、三極管、可控硅等半導體分立器件,各種規模、各種封裝形式的集成電路,射頻、微波器件,電源模塊、光電模塊等各種元器件和模塊。
一、案例背景
客戶上手有一批已出售的庫存芯片,買方使用該批次芯片進行 生產作業時,PL-2出現斷電、熄火、不亮或按鍵失效現象,而且不良率高達60%。為了找出問題,使用治具檢測PCB板,發現部分需要斷電4-6次才會出現該現象。
接著,買方將功能正常的PCB組件上的單片機拆下來調換到不良PCB組件上,PCB組件功能恢復正常。
不良PCB組件上拆下來的IC重新燒錄程序仍然NG,猜測是單片機質量問題。
因此,買方退回了該批次產品,客戶為了確認生產不良的原因是否是芯片本身問題造成的,委托我們協助分析不良原因。
二、分析過程
? 1.外觀分析
對委托方提供的失效樣品進行外觀檢測,確認其表面是否存在明顯異常問題
測試結果 : 從不良樣品的外觀看,沒有發現破損現象,也未發現單片機絲印重影、模糊等問題。

? 2.電特性測試
為了確認失效樣品的失效模式,檢驗樣品是否有開路、短路、阻抗等異常問題,進行了電特性檢測
測試結果:電特性測試共測試了10pcs退回的不良品,其中發現有3片pin1 VDD對pin8 VSS短路

? 3.開蓋檢測
為了確認樣品內部是否存在明顯的異常,對樣品進行了開蓋檢測
測試結果:開蓋檢測發現芯片內部晶圓有燒傷痕跡

三、綜合分析
本檢測案例通過外觀檢測、電特性測試以及開蓋檢測等檢測后發現:
(1)不良品測量VDD對VSS之間阻抗短路
(2)開蓋檢測打線封裝沒有異常
(3)開蓋晶圓表面有發現EOS損傷
?知識分享: EOS/ESD損傷原理
提到EOS/ESD損傷原理,就不得不提到人體放電模式的ESD和機器放電模式的ESD,我們要對這兩個模式有個清晰的了解。
人體放電模式(HBM)的ESD是指因人體在地上走動磨擦或其他因素在人體上已累積了靜電,當此人去碰觸IC時,人體上的靜電便會經由IC的引腳(PIN)而進入IC內,再經由IC放電到端(GROUND),如圖下所示。

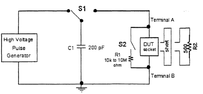
機器放電模式(MACHINE MODELMM)的ESD是指機器(例如機械手、測試夾具、手工具等)本身累積了靜電,當此機器去碰觸到IC時,該靜電便經由IC的PIN放電。因為大多數機器都是用金屬制造的,其機器放電模式的等效電阻為0Ω,而其等效電容定為200PF。由于機器放電模式的等效電阻為02,故其放電的過程更短,在幾毫微秒到幾十毫微秒之內會有數安培的瞬間放電電流產生。

當過大的電流通過IC內部電路,就容易導致 IC 內部電路損壞,影響 IC 整體功能。
一般 IC 電路設計時都會有 ESD 保護電路,如果在上機前,機臺 ESD 沒有做好或者外圍電路、軟件升級、電路設計等都會造成EOS/ESD 瞬間產生電流導致芯片內部電路損壞。
四、結論與建議
? 1.結論
庫存樣品確認100片沒有發現不良,產品符合原廠規格要求 。
? 2.建議
檢查相關電路及設備是否有漏電或其它造成生產不良原因,確認客戶相關測試人員防靜電措施是否到位。